| ||
| |
|
(1) Einführung (2) Auftrag (3) Projektplan (4) Interface (5) Datenblätter (6) Umsetzung (7) Programme (8) Lernziele (9) Erfahrungen | |
![]() |
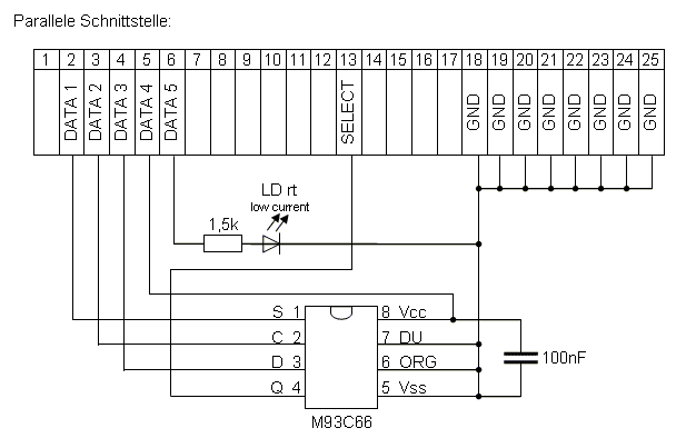
Ein EEPROM (Electrically Eraseable Programmable Read Only Memory) ist ein digitaler Speicherbaustein, der durch elektrische Impulse beschrieben und auch wieder gelöscht werden kann. Diese Speicherbausteine kommen in vielerlei Geräten vor: Als elektronisches beschreib- und löschbares Telefonbuch im Handy, PDA, in digitalen Diktiergeräten, in den Speichermöglichkeiten der Einstellungen von Kopierern u.v.a.m.. Ein repräsentativer Vertreter dieser digitalen Speicherbausteine ist das EEPROM M93C66 mit 4kbit Speicher (= 4096 Bits), das in der Ausführung M93C66-W mit (2,5 ... 5,5)V zu betreiben ist. |
![]() |
Die Schüler sollen in Gruppenarbeit (Einteilungen der 4 Übungsfirmen) je ein EEPROM-Schreibleseinterface realisieren
und die notwendige Programmierung unter MS-Excel-VBA vornehmen. Der Einfachheit halber soll die Programmierung am PC über die größtenteils noch vorhandene paralelle Schnittstelle erfolgen. Die Programme sollen alle Möglichkeiten der Programmierung des EEPROMS M93C66 ausschöpfen, d.h. schreiben von Bits, lesen gezielter Bits, und schützen des Speicherinhalts. |

![]() |
|
![]() |
M93C66 |
![]() |
Einige funktionsfähige EEPROMMER, mit Gehäuse und mit Leitung und Platine:![]() ![]() ![]() Weiter zur Programmierung ... Die Datenblattanalyse zeigt verschiedene, nacheinander folgende Bitsequenzen, die an die verschiedenen Pins angelegt werden müssen: Zunächst werden die Codierungen (OP-Codes) der Befehle (Instructions) untersucht ...
Als erstes die Impulsfolgen für READ, WRITE und ERASE WRITE ENABLE / DISABLE im Überblick
... dann ERASE bzw. ERASE ALL
WRITE ALL Sequenz:
Spezielle Betrachtung des START-Bits und der OP-Code-Eingabe:
Genaue Bitfolge für READ:
Untersuchungen mit dem Oszilloskop zeigen hier die Startsequenz des READ-Vorgangs: Chip Select (1) und Data Out (2) ![]() ![]() Oszillogramm der Taktung mit Lesevorgang des ersten Datenbytes: Clock (1) und Data Out (2) ![]() ![]() Die ersten 13 Clocktakte: Clock (1) und Data Out (2) ![]() ![]() Genaue Bitfolge für WRITE:
|
Struktur der Prozeduren (Unterprogramme):![]() |
|
Programm EEPROM_M93C66_Data_10110010.xls zum Lesen und Schreiben von "10110010" ins EEPROM.
Programm EEPROM_M93C66_Data_00000000.xls zum Lesen und Schreiben von "00000000" ins EEPROM.
Programm EEPROM_M93C66_Data_10000001.xls zum Lesen und Schreiben von "10000001" ins EEPROM.
Die notwendige DLL zum Ansprechen der PC-Schnittstelle inpout32.dll.
![]() |
|
![]() |
|
|